Paper Title Revolutionizing AlSi20 Casting: How Water Mist Die Cooling Boosts Hardness and Refines Microstructure
This technical summary is based on the academic paper "THE EFFECT OF WATER MIST COOLING OF CASTING DIE ON THE SOLIDIFICATION, MICROSTRUCTURE AND PROPERTIES OF AlSi20 ALLOY" by R. WŁADYSIAK, A. KOZUŃ, and T. PACYNIAK, published in Arch. Metall. Mater. (2017). It has been analyzed and summarized for technical experts by CASTMAN.


Keywords
- Primary Keyword: Water Mist Die Cooling
- Secondary Keywords: Hypereutectic AlSi20, HPDC, Solidification Control, Microstructure, Casting Properties
Executive Summary
- The Challenge: Conventional die cooling methods in high pressure die casting offer limited control and efficiency, impacting the final properties of high-silicon aluminum alloys.
- The Method: Researchers applied a computer-controlled, sequential multipoint water mist system to cool the casting die during the solidification of a hypereutectic AlSi20 alloy.
- The Key Breakthrough: The method cut solidification time by nearly 50%, increased eutectic hardness by 24%, and created a novel microstructure featuring pre-eutectic silicon dendrites and a 34% thicker boundary layer of columnar crystals.
- The Bottom Line: Water Mist Die Cooling is a powerful technique for enhancing the mechanical properties and microstructure of AlSi20 castings, offering significant potential to improve tensile strength and machinability.
The Challenge: Why This Research Matters for HPDC Professionals
In the production of high-performance aluminum alloy components, particularly for heavy-duty applications like engine pistons, precise control over the solidification process is critical. The industry has long relied on methods like forced air or internal water channels for die cooling. However, these techniques present significant trade-offs. Pressured air cooling offers insufficient heat flux (below 782 W), limiting its effectiveness. Conversely, while internal cooling channels are efficient, they are costly to implement, offer a very small range for controlling the cooling rate, and make it difficult to achieve different cooling rates in various parts of the casting. These limitations hinder the ability to fine-tune the microstructure and mechanical properties of alloys like hypereutectic AlSi20, leaving potential performance gains on the table. This research addresses the need for a more efficient, controllable, and cost-effective cooling method to unlock the full potential of these advanced materials.
The Approach: Unpacking the Methodology
The study was conducted using a dedicated research station equipped with a computerized control system for generating and applying a multi-circuited water mist. The key components of the methodology were:
- Alloy: Unmodified, synthetic hypereutectic AlSi20 alloy was used for the castings.
- Mould: The research mould was manufactured from X38CrMoV51 steel with a wall thickness of 4 mm. The initial mould temperature was 175°C ± 25°C.
- Cooling System: Three symmetrical sections of cylindrical nozzles were arranged to cool specific zones of the casting. The water mist was generated using a water pressure of 0.35 MPa and an air pressure of 0.3 MPa, with flow rates of 0.156 l/min and 350 l/min, respectively. The mist was applied automatically for 60 seconds upon detection of liquid metal by a thermocouple placed in the mould's center.
- Analysis: The temperature profile during solidification was recorded using the thermocouple. The resulting microstructure was evaluated using a Nikon MA200 microscope, and hardness was measured via microindentation with a HV-1000B Tester according to the ISO-6507-2 standard.
The Breakthrough: Key Findings & Data
The application of water mist die cooling resulted in dramatic and measurable improvements in the solidification process and final casting properties.
Finding 1: Drastic Reduction in Solidification Time and Increased Cooling Rate
The most immediate effect of water mist cooling was an acceleration of the solidification process. As shown in Table 2, the solidification time was reduced by nearly 50%, from 44.5 seconds in the uncooled process to just 22.5 seconds. This corresponds to a 126% increase in the solidification rate, which rose from 2.953 K/s to 6.678 K/s. This rapid heat extraction is the primary driver for the significant microstructural changes observed.
Finding 2: Significant Microstructural Transformation and Novel Silicon Dendrites
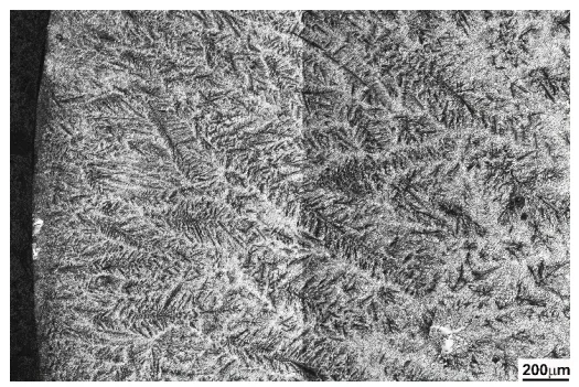
The high cooling rate fundamentally altered the casting's microstructure. The study found that water mist cooling caused a 34% increase in the thickness of the boundary layer, which is composed of desirable columnar crystals. Consequently, the diameter of the central core zone (with equiaxed crystals) was reduced from 8.20 mm to 5.38 mm (Figure 4).
Most notably, the microstructure of the cooled samples was characterized by pre-eutectic crystallized silicon dendrites (Figure 7d-f), a novel formation not typically seen in these alloys, which usually feature sharp, brick-like silicon particles. This dendritic growth is attributed to the concentrated supercooling, which prevents the equalization of chemical composition in the melt.
Practical Implications for R&D and Operations
- For Process Engineers: This study suggests that implementing a controlled water mist system can significantly reduce cycle times by cutting solidification time by up to 50%. Adjusting mist parameters could become a powerful tool for controlling microstructure and reducing defects associated with slow cooling.
- For Quality Control Teams: The data in Figure 9 shows a significant increase in hardness within the expanded boundary layer, while Figure 10c illustrates a more regular and gradual hardness distribution around Si dendrites compared to the uncooled sample. These more uniform hardness profiles could be adopted as new quality inspection criteria, as they correlate with improved tensile strength.
- For Design Engineers: The findings indicate that a thicker boundary layer (up to 34% increase) can be reliably produced. This allows for the design of a larger machining allowance, ensuring that the final component surface lies entirely within the area of directional solidification, which possesses superior hardness and wear characteristics.
Paper Details
THE EFFECT OF WATER MIST COOLING OF CASTING DIE ON THE SOLIDIFICATION, MICROSTRUCTURE AND PROPERTIES OF AlSi20 ALLOY
1. Overview:
- Title: THE EFFECT OF WATER MIST COOLING OF CASTING DIE ON THE SOLIDIFICATION, MICROSTRUCTURE AND PROPERTIES OF AlSi20 ALLOY
- Author: R. WŁADYSIAK, A. KOZUŃ, T. PACYNIAK
- Year of publication: 2017
- Journal/academic society of publication: Arch. Metall. Mater. 62 (1), 187-194
- Keywords: silicon dendrites, casting die cooling, water mist, hypereutectic Al-Si alloy
2. Abstract:
Unmodified AlSi20 alloy were casted at the research station, allowing for sequential multipoint cooling using a dedicated computer-controlled program. This method allows for the formation of the microstructure of hypereutectic AlSi20 alloy and also increases hardness. Primary silicon dendrites were found in the microstructure of cooled samples. Based on these dendrites, the formation of primary silicon particles is explained. Cooling of casting die with a water mist stream causes changes in solidification, which leads to expansion of the boundary layer with columnar crystals and shrinkage of the core zone with equiaxed crystals. It also causes more regular hardness distribution around pre-eutectic Si crystals, which can lead to tensile strength and machinability improvement.
3. Introduction:
The use of water mist cooling of die can increase the efficiency of aluminium alloys. Previous research has shown the positive influence of intensive die cooling on mechanical properties and casting quality, resulting in reduced primary Si particle size and secondary dendrite arm spacing. While various methods for die cooling exist, particularly in high pressure die casting, they have drawbacks. Pressured air offers low heat flux. Running water in channels is efficient but has high implementation costs, high coolant consumption, and a small range for controlling the cooling rate. Other research has focused on cooling the casting directly after solidification, not influencing the primary solidification process. This research investigates cooling the die via the evaporation of water droplets on its hot surface during the solidification process.
4. Summary of the study:
Background of the research topic:
The study is based on the need to improve the efficiency and control of cooling processes for aluminum alloy castings to enhance their mechanical properties and microstructure.
Status of previous research:
Previous research explored various die cooling methods, including pressured air, internal cooling channels with water, and direct water spray quenching of the cast part post-solidification. These methods were found to have limitations in terms of heat flux efficiency, cost, or control over the primary solidification structure. No investigations were found that used water mist to cool the die itself during the solidification of a hypereutectic Al-Si alloy.
Purpose of the study:
The aim of the study was to investigate the effect of water mist cooling on the microstructure, hardness, and the solidification behavior of hypereutectic Al-Si alloy.
Core study:
The core of the study involved casting an unmodified AlSi20 alloy in a steel mould under two conditions: without cooling and with a computer-controlled, sequential water mist cooling system applied to the external surface of the die. The researchers then compared the solidification time, cooling rates, microstructure (boundary layer vs. core, silicon morphology), and hardness profiles of the resulting castings.
5. Research Methodology
Research Design:
The research employed a comparative experimental design. Castings of AlSi20 alloy were produced with and without the application of water mist cooling to the die, and the resulting material properties were analyzed and compared.
Data Collection and Analysis Methods:
- Temperature Measurement: A thermocouple placed inside the casting die measured the temperature during solidification, generating cooling curves (Figure 3).
- Microstructural Analysis: Samples were taken from the central area of the casting. A Nikon MA200 microscope was used to observe and photograph the microstructure, including segregation, boundary layers, and crystal morphology.
- Hardness Testing: Hardness was measured using a microindentation method with a HV-1000B Tester, compliant with ISO-6507-2. Measurements were taken across the probe diameter and around primary silicon crystals.
Research Topics and Scope:
The research focused on the effects of water mist die cooling on a hypereutectic AlSi20 alloy. The scope included the analysis of: - Changes in solidification parameters (time, rate, liquidus/solidus temperatures). - Changes in macrostructure (boundary layer and core zone dimensions). - Changes in microstructure (morphology of primary silicon and eutectic). - Changes in hardness (eutectic hardness, hardness distribution across the casting diameter, and around Si crystals).
6. Key Results:
Key Results:
- Water mist cooling shortened the solidification time by up to 50% for hypereutectic AlSi20 alloy.
- The solidification rate increased by 126%, from 2.953 K/s to 6.678 K/s.
- The boundary layer of the cast, containing columnar crystals, expanded by up to 34%, while the core zone with equiaxed crystals shrank.
- The cooling process caused the formation of novel pre-eutectic silicon dendrites in the microstructure.
- The average hardness of the eutectic increased by 24%.
- The hardness distribution around primary Si crystals became more regular, which may improve tensile strength.
Figure Name List:
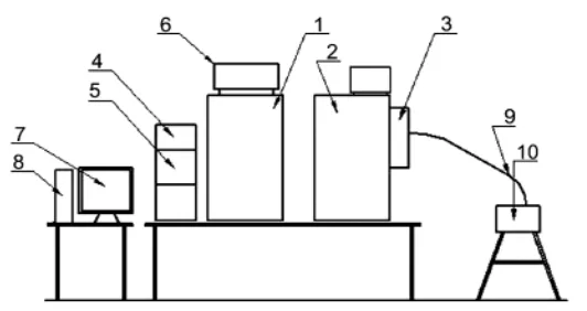
- Fig. 1. A scheme of the research station: modules: 1, 2 – air and water dosing; 3 - mixing of components; 4, 5 – supplying of air and water solenoid valves; 6 - computer-controlled cooling; 7, 8 – PC; 9 – cooling circuit; 10 - research chill
- Fig. 2. Research mould, casting zones and nozzles
- Fig. 3. Temperature obtained for the casting core: a) without cooling; b) with water mist cooling system
- Fig. 4. Segregation of casting obtained: a) without cooling;b) with water mist cooling system method; 1 – boundary layer; 2 – cast core
- Fig. 5. Segregation of casting obtained a) without cooling; b) with water mist cooling system method
- Fig. 6. Microstructure as a result of directional solidification
- Fig. 7. Microstructure of researched Al-Si alloycasted in mould (Fig. 2) uncooled (a-c); cooled with water mist (d-f); phase β (Si), eutectic α + β (Al + Si)
- Fig. 8. The four stages of growth of primary silicon
- Fig. 9. Hardness alongside the diameter of the water mist cooled probe; s – distance from the edge of the probe
- Fig. 10. Hardness around Si pre-eutectic crystal a); b) in uncooled probe; c) in water mist cooled probe; s – distance from the centre of the crystal





7. Conclusion:
This study indicates that the use of water mist cooling of the moulds shortens solidification time by up to 50%, decreases liquidus and solidus temperatures, and causes the formation of pre-eutectic silicon dendrites in the microstructure of hypereutectic Al-Si alloy. It leads to an expansion of the cast boundary layer with columnar crystals by up to 34% and a corresponding shrinkage of the core zone. This method also causes more regular silicon distribution, increases the hardness of the eutectic by 24%, and provides a more regular hardness distribution around crystals. These combined effects may improve the tensile strength and the machinability of castings.
8. References:
- [1] R. Władysiak, A. Kozuń, Effect of Water Mist Cooling on Microstructure of Hypereutectic Al-Si Alloy, Arch. Foundry Eng. 14, 3, 117-122 (2014).
- [2] R. Władysiak, Computer Control the Cooling Process in Permanent Mold Casting of Al-Si Alloy, Arch. Metall. Mater. 58, 3, 10-13 (2013).
- [3] H. Yamagata, W. Kasprzak, M. Aniolek, H. Kurita, J.H. Sokolowski, The effect of average cooling rates on the microstructure of the Al-20% Si high pressure die casting alloy used for monolithic cylinder blocks, J. Mater. Process. Technol. 203, 3, 333-341 (2008).
- [4] S.G. Shabestari, M. Malekan, Thermal analysis study of the effect of the cooling rate on the microstructure and solidification parameters of 319 aluminum alloy,Can. Metall. Q. 44, 3, 305-312 (2005).
- [5] Z.G. Shen, C. Lü, Experimental tests of investment casting air jet cooling process, Zhuzao/Foundry 63, 6, 567-570, (2014).
- [6] R. Władysiak, Effect of water mist on cooling process of casting die and microstructure of alsi11 alloy, Arch. Metall. Mater. 55, 3, 93-9946 (2010).
- [7] J. Cho, C. Kim, Al-Si casting alloys in high pressure die casting 8, 1, 49-56, (2014).
- [8] S.M.H. Hejazi, F. Majidi, G.H. Akbari, A Cu-Cr alloy with nano and microscale Cr particles produced in a water-cooled copper mold, Int. J. Miner. Metall. Mater. 17, 5, 629-634 (2010).
- [9] G. Wang, G. Zhao, X. Wang, Development and evaluation of a new rapid mold heating and cooling method for rapid heat cycle molding, Int. J. Heat Mass Transf. 78, 99-111 (2014),
- [10] M. Nowak, O. Golovko, F. Nürnberger, I. Frolov, M. Schaper, Water-Air Spray Cooling of Extruded Profiles: Process Integrated Heat Treatment of the Alloy EN AW-6082, J. Mater. Eng. Perform. 22, 9, 2580-2587 (2013).
- [11] J. Kang, X. Hao, G. Nie, H. Long, B. Liu, Intensive riser cooling of castings after solidification, J. Mater. Process. Technol. 215, 278-286 (2015).
- [12] C. Rapiejko, B. Pisarek, T. Pacyniak, Effect Of Cr and V Alloy Additions on the Microstructure and Mechanical Properties of Am60 Magnesium Alloy, Arch. Metall. Mater. 59, 2, 10-14 (2014).
- [13] L. Heusler and W. Schneider, Influence of alloying elements on the thermal analysis results of Al-Si cast alloys, J. Light Met. 2, 1, 17-26, Feb. (2002).
- [14] R.M. Pillai, K.S. Biju Kumar, B.C. Pai, A simple inexpensive technique for enhancing density and mechanical properties of Al-Si alloys, J. Mater. Process. Technol. 146, 3, 338-348 (2004).
- [15] R. Xu, L. Li, L. Zhang, B. Zhu, X. Liu, X. Bu, Influence of pressure and surface roughness on the heat transfer efficiency during water spray quenching of 6082 aluminum alloy, J. Mater. Process. Technol. 214, 12, 2877-2883 (2014).
- [16] G. Duggan, M. Tong, D.J. Browne, Modelling the creation and destruction of columnar and equiaxed zones during solidification and melting in multi-pass welding of steel, Comput. Mater. Sci. 97, 285-294 (2015).
- [17] K. Ghedjati, E. Fleury, M.S. Hamani, M. Benchiheub, K. Bouacha, B. Bolle, Elaboration of AlSi10Mg casting alloys using directional solidification processing, Int. J. Miner. Metall. Mater. 22, 5, 509-515 (2015).
- [18] K.J. Kubiak, T.W. Liskiewicz, T.G. Mathia, Surface morphology in engineering applications: Influence of roughness on sliding and wear in dry fretting, Tribol. Int. 44, 11, 1427-1432 (2011).
- [19] H. Yamagata, H. Kurita, M. Aniolek, W. Kasprzak, J.H. Sokolowski, Thermal and metallographic characteristics of the Al-20% Si high-pressure die-casting alloy for monolithic cylinder blocks, J. Mater. Process. Technol. 199, 1-3, 84-90 (2008).
- [20] H. Kaya, E. Çadırlı, M. Gündüz, Dendritic Growth in an Aluminum-Silicon Alloy, J. Mater. Eng. Perform. 16, 1, 12-21 (2007).
- [21] M. Chen, T.Z. Kattamis, Dendrite coarsening during directional solidification of Al-Cu-Mn alloys, Mater. Sci. Eng. A 247, 1-2, 239-247 (1998).
- [22] M. Bamberger, I. Minkoff, and M.M. Stupel, Some observations on dendritic arm spacing in Al-Si-Mg and Al-Cu alloy chill castings, J. Mater. Sci. 21, 8, 2781-2786 (1986).
- [23] B. Karpe, B. Kosec, A. Nagode, M. Bizjak, The influence of Si and V on the kinetics of phase transformation and microstructure of rapidly solidified Al-Fe-Zr alloys, J. Min. Metall. Sect. B Metall. 49, 1, 83-89 (2013).
- [24] N. Raghukiran, R. Kumar, Effect of scandium addition on the microstructure, mechanical and wear properties of the spray formed hypereutectic aluminum-silicon alloys, Mater. Sci. Eng. A. 641, 0, 138-147 (2015).
- [25] X. Zhu, R. Wang, J. Peng, C. Peng, Microstructure evolution of spray-formed hypereutectic Al-Si alloys in semisolid reheating process, Trans. Nonferrous Met. Soc. China 24, 6, 1766-1772 (2014).
- [26] O. Uzun, T. Karaaslan, M. Gogebakan, M. Keskin, Hardness and microstructural characteristics of rapidly solidified Al-8-16 wt.%Si alloys, J. Alloys Compd. 376, 1-2, 149-157 (2004).
- [27] H. Jones, Cooling rates during rapid solidification from a chill surface, Mater. Lett. 26, 3, 133-136 (1996).
Expert Q&A: Your Top Questions Answered
Q1: Why was water mist chosen for die cooling instead of more traditional high-efficiency methods like internal water channels?
A1: The paper highlights the limitations of internal water channels, namely high implementation costs, high coolant consumption, and a very small range for controlling the cooling rate once the die is produced. A water mist system applied externally is more flexible, allowing for easier adjustment of cooling parameters and the ability to create diverse cooling rates in different parts of the casting without complex modifications to the die itself.
Q2: The paper describes the formation of "novel" silicon dendrites. What is the practical significance of this microstructure compared to the typical blocky silicon particles?
A2: The formation of Si dendrites is a direct result of the high cooling rate and resulting supercooling. As explained in the paper, this rapid process prevents the full coarsening of the Si particles. This means more silicon remains in the liquid phase, enriching the eutectic. This was confirmed by the 24% increase in the hardness of the eutectic. For R&D, this suggests that controlling the cooling rate can be a powerful tool to refine the Si morphology, which can lead to improved mechanical properties like tensile strength and machinability.
Q3: Table 2 shows the "Liquid cooling rate" decreased slightly with water mist cooling, while the "Solidification rate" increased dramatically. Why is that?
A3: The paper presents the data from Table 2 without providing a specific explanation for the decrease in the "Liquid cooling rate" (the rate of cooling before solidification begins). However, the most critical parameters for microstructure formation are the "Solidification rate" and "Cooling rate in crystallization range," both of which increased substantially (126% and 98%, respectively). These are the rates that govern crystal growth and structure, and their significant increase is the direct cause of the observed benefits like finer structure and higher hardness.
Q4: How does expanding the boundary layer by 34% (as seen in Figure 4) translate to a practical benefit in manufacturing?
A4: The boundary layer consists of columnar crystals formed by directional solidification, which typically results in a denser, more uniform microstructure with higher hardness. By expanding this superior layer, manufacturers are given a larger machining allowance. This provides greater confidence that the final, machined surface of the component will be entirely within this high-performance zone, potentially improving wear resistance and overall part quality.
Q5: The study used a specific set of water and air pressures (0.35 MPa and 0.3 MPa). How critical are these exact parameters to achieving these results?
A5: The paper cites previous work by the author [6] which established that these specific parameters achieve the highest heat flux. However, it also references another study [15] that found heat flux efficiency can vary at different temperature ranges, suggesting that a single set of parameters may not be optimal for the entire cooling process. For industrial applications, this implies that a dynamic system with changeable water mist parameters during the cooling process could yield even better results, representing an area for further optimization.
Conclusion: Paving the Way for Higher Quality and Productivity
This research convincingly demonstrates that the targeted application of Water Mist Die Cooling is a highly effective method for overcoming the limitations of conventional cooling in aluminum casting. By dramatically accelerating solidification, this technique produces a refined microstructure with novel silicon dendrites, a harder eutectic, and a significantly expanded boundary layer of high-quality columnar crystals. These microstructural improvements translate directly into superior mechanical properties, offering a clear path to enhancing the tensile strength, hardness, and machinability of hypereutectic AlSi20 components.
At CASTMAN, we are committed to applying the latest industry research to help our customers achieve higher productivity and quality. If the challenges discussed in this paper align with your operational goals, contact our engineering team to explore how these principles can be implemented in your components.
Copyright Information
- This content is a summary and analysis based on the paper "THE EFFECT OF WATER MIST COOLING OF CASTING DIE ON THE SOLIDIFICATION, MICROSTRUCTURE AND PROPERTIES OF AlSi20 ALLOY" by "R. WŁADYSIAK, A. KOZUŃ, T. PACYNIAK".
- Source: https://doi.org/10.1515/amm-2017-0026
This material is for informational purposes only. Unauthorized commercial use is prohibited. Copyright © 2025 CASTMAN. All rights reserved.